欢迎来到米兰体育官网,深圳电机驱动器厂家主要研发、性价比高电机驱动器、伺服电机驱动器、步进电机、步进电机驱动器等产品。

步进电机驱动专家

全国咨询热线400 000 6331

伺服电机
全国服务热线400 000 6331
  • 伺服系列110系列

伺服系列110系列 类别:伺服电机

产品简介:本交流伺服驱动系统采用数字信号处理器DSP,大规模可编程门阵列CPLD,以及智能化的集成功率模块IPM,集成度高、体积小、运行稳定。采用更优的PID算法,采用空间矢量控制。响应快,跟随性好,精度高,生产效率高,相较于国内外同类产品有一定优势。

在线咨询订购热线:0755-23001035

我们为您推荐最适合匹配的电机和驱动

说明书下载

产品介绍

本交流伺服驱动系统采用数字信号处理器DSP,大规模可编程门阵列CPLD,以及智能化的集成功率模块IPM,集成度高、体积小、运行稳定。采用更优的PID算法,采用空间矢量控制。响应快,跟随性好,精度高,生产效率高,相较于国内外同类产品有一定优势。


环境温度     -20℃~+60℃


环境湿度     10~90【%RH】以下(不结露)

伺服电机更高可搭配多摩川高精度23-bit等级(8388608p/rev)

编码器,提升定位精度与低速运转稳定度。

可记忆65535圈位置,支持位置控制及软限位,节省限位

开关原点开关,在减少故障点的同时,方便配线。

典型应用:
智能机器人、3C电子设备、广告喷雕设备、激光设备、电子加工、螺丝机、贴标机、数控机床、印刷机械设备、食品、服装生产线等

规格参数:



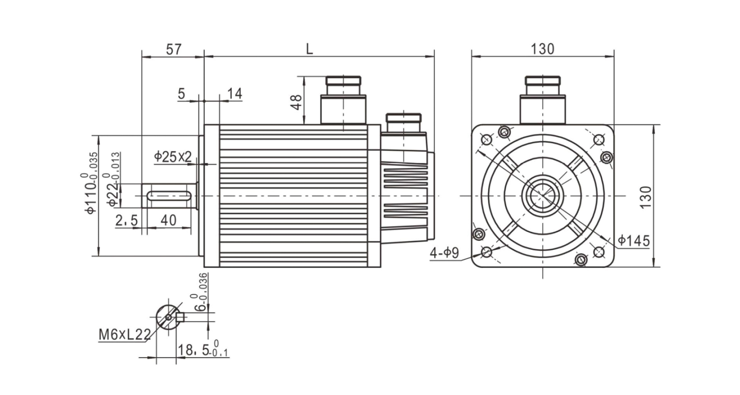
尺寸说明:

  • 扫一扫,关注我们