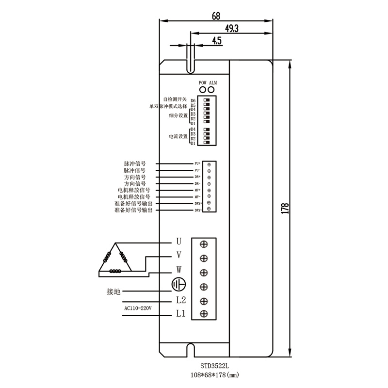
信号5-24V兼容,支持差分、共阴、共阳脉冲输入
支持单、双脉冲,以及内部速度模式
可驱动57、86系列高压三相步进电机" />
返回当前位置:米兰(中国) / 产品中心 / 米兰体育 / 三相混合式步进驱动器
在线咨询订购热线:0755-23001035
我们为您推荐最适合匹配的电机和驱动
● 采用先进的DSP控制系统,性价比高
● 采用4bit开关设置16组等角度恒力矩细分,更高分辨率12000脉冲/转
● 更高反应频率可达150Kpps
● 输出步进脉冲停止超过100ms时,线圈电流自动减到设定电流的一半
● 采用光电隔离器件耦合信号输入/输出
● 驱动电流从1.2A/相到5.0A/相,分16档可调
● 单电源输入,电压范围:AC110-220V
●I/O信号,所有输入信号均通过光电隔离,信号电平5~24V电平兼容
